Product Summary
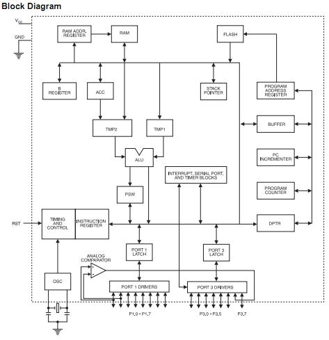
The AT89C2051-24SC is a low-voltage, high-performance CMOS 8-bit microcomputer with 2K Bytes of Flash programmable and erasable read only memory (PEROM). The device is manufactured using Atmel’s high density nonvolatile memory technology and is compatible with the industry standard MCS-51 instruction set. By combining a versatile 8-bit CPU with Flash on a monolithic chip, the AT89C2051-24SC is a powerful microcomputer which provides a highly flexible and cost effective solution to many embedded control applications.
Parametrics
AT89C2051-24SC absolute maximum ratings: (1)Operating Temperature: -55 to +125℃; (2)Storage Temperature: -65 to +150℃; (3)Voltage on Any Pin with Respect to Ground: -1.0V to +7.0V; (4)Maximum Operating Voltage: 6.6V; (5)DC Output Current: 25.0 mA.
Features
AT89C2051-24SC features: (1)Compatible with MCS-51? Products; (2)2K Bytes of Reprogrammable Flash Memory: Endurance: 1,000 Write/Erase Cycles; (3)2.7V to 6V Operating Range; (4)Fully Static Operation: 0 Hz to 24 MHz; (5)Two-Level Program Memory Lock; (6)128 × 8-Bit Internal RAM; (7)15 Programmable I/O Lines; (8)Two 16-Bit Timer/Counters; (9)Six Interrupt Sources; (10)Programmable Serial UART Channel; (11)Direct LED Drive Outputs; (12)On-Chip Analog Comparator; (13)Low Power Idle and Power Down Modes.
Diagrams

| Image | Part No | Mfg | Description | ![]() |
Pricing (USD) |
Quantity | ||||||
|---|---|---|---|---|---|---|---|---|---|---|---|---|
![]() |
![]() AT89C2051-24SC |
![]() Atmel |
![]() 8-bit Microcontrollers (MCU) 20 PINS UART 2K - FLASH - 24MHZ |
![]() Data Sheet |
![]() Negotiable |
|
||||||
| Image | Part No | Mfg | Description | ![]() |
Pricing (USD) |
Quantity | ||||||
![]() |
![]() AT8934 |
![]() TE Connectivity |
![]() General Purpose / Industrial Relays SEALED R RELAY |
![]() Data Sheet |
![]()
|
|
||||||
![]() |
![]() AT8985P |
![]() Other |
![]() |
![]() Data Sheet |
![]() Negotiable |
|
||||||
![]() |
![]() AT8989UP |
![]() Other |
![]() |
![]() Data Sheet |
![]() Negotiable |
|
||||||
![]() |
![]() AT8992-A2-T-1 |
![]() |
![]() IC SWITCH PHY 64-TQFP |
![]() Data Sheet |
![]() Negotiable |
|
||||||
![]() |
![]() AT8992M-A2-T-1 |
![]() |
![]() IC SWITCH PHY 100-MQFP |
![]() Data Sheet |
![]() Negotiable |
|
||||||
![]() |
![]() AT8993-A2-T-1 |
![]() |
![]() IC SWITCH PHY 100-MQFP |
![]() Data Sheet |
![]() Negotiable |
|
||||||
(China (Mainland))










