Product Summary
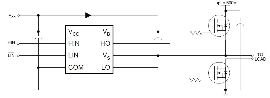
The IR2103S is a high voltage, high speed power MOSFET and IGBT driver with dependent high and low side referenced output channels. Proprietary HVIC and latch immune CMOS technologies enable ruggedized monolithic construction. The IR2103S logic input is compatible with standard CMOS or LSTTL output, down to 3.3V logic. The IR2103S output driver features a high pulse current buffer stage designed for minimum driver cross-conduction. The floating channel can be used to drive an N-channel power MOSFET or IGBT in the high side configuration which operates up to 600 volts.
Parametrics
IR2103S absolute maximum ratings: (1)High side floating supply voltage:-0.3V to 625V; (2)High side floating supply offset voltage:VB - 25V to VB + 0.3V; (3)High side floating output voltage:VS - 0.3V to VB + 0.3V; (4)Low side fixed supply voltage:-0.3V to 25V; (5)Low side output voltage:-0.3V to VCC + 0.3V; (6)Logic supply voltage:-0.3V to VSS + 25V; (7)Logic supply offset voltage:VCC - 25V to VCC + 0.3V; (8)Logic input voltage (HIN, LIN & SD):VSS - 0.3V to VDD + 0.3V; (9)Allowable offset supply voltage transient:50 V/ns; (10)Package power dissipation: 1.0W; (11)Thermal resistance, junction to ambient:125℃/W; (12)Junction temperature:150℃; (13)Storage temperature:-55℃ to 150℃; (14)Lead temperature (soldering, 10 seconds):300℃.
Features
IR2103S features: (1)Floating channel designed for bootstrap operation; (2)Fully operational to +600V; (3)Tolerant to negative transient voltage; (4)dV/dt immune; (5)Gate drive supply range from 10 to 20V; (6)Undervoltage lockout; (7)3.3V, 5V and 15V logic compatible; (8)Cross-conduction prevention logic; (9)Matched propagation delay for both channels; (10)Internal set deadtime; (11)High side output in phase with HIN input; (12)Low side output out of phase with LIN input.
Diagrams

| Image | Part No | Mfg | Description | ![]() |
Pricing (USD) |
Quantity | ||||||||||||
|---|---|---|---|---|---|---|---|---|---|---|---|---|---|---|---|---|---|---|
![]() |
![]() IR2103S |
![]() |
![]() IC DRIVER HALF BRIDGE 600V 8SOIC |
![]() Data Sheet |
![]() Negotiable |
|
||||||||||||
![]() |
![]() IR2103SPBF |
![]() International Rectifier |
![]() Power Driver ICs |
![]() Data Sheet |
![]()
|
|
||||||||||||
![]() |
![]() IR2103STRPBF |
![]() International Rectifier |
![]() Power Driver ICs Half Bridge Driver 520ns |
![]() Data Sheet |
![]()
|
|
||||||||||||
![]() |
![]() IR2103STR |
![]() |
![]() IC DRIVER HALF BRIDGE 600V 8SOIC |
![]() Data Sheet |
![]() Negotiable |
|
||||||||||||
(China (Mainland))










